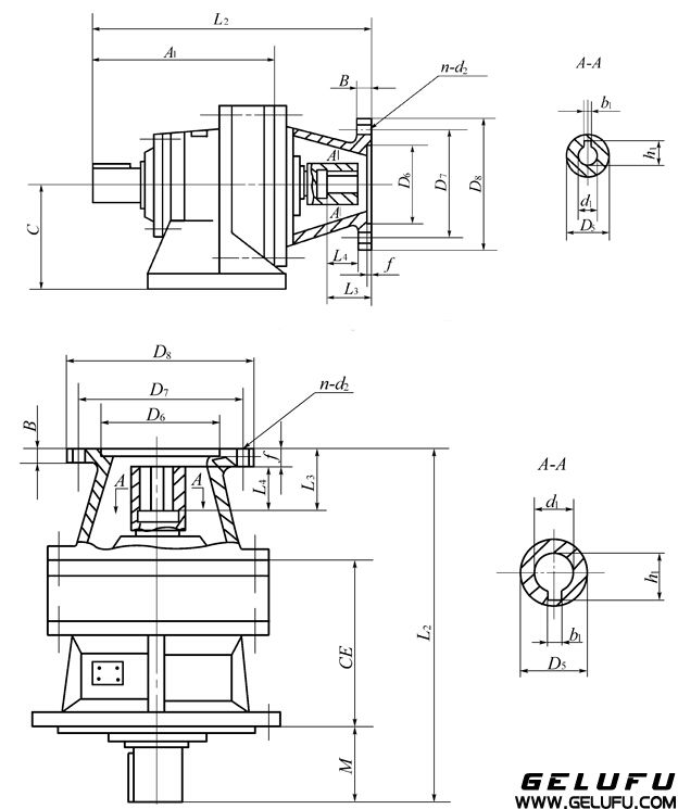
B系列上海變速機械廠標準行星擺線針輪減速機接盤安裝外形及安裝尺寸

|
D5
|
d1公差
|
b1
|
h1
|
L4
|
D6公差
|
D7
|
D8
|
f
|
B
|
n
|
d2
|
L3
|
||||
|
0.25 0.37
|
71
|
37
|
14
|
F7
|
5
|
16.3
|
16
|
110
|
H8
|
130
|
160
|
4
|
12
|
4
|
10
|
30
|
|
0.55 0.75
|
801 802
|
37
|
19
|
6
|
21.8
|
27
|
130
|
165
|
200
|
4
|
12
|
4
|
12
|
40
|
||
|
1.1 1.5
|
90S 90L
|
47
|
24
|
8
|
27.3
|
33
|
130
|
165
|
200
|
4
|
15
|
4
|
12
|
50
|
||
|
2.2 3 4
|
100L 112M
|
55
|
28
|
8
|
31.3
|
41
|
180
|
215
|
250
|
5
|
17
|
4
|
15
|
60
|
||
|
5.5 7.5
|
132S 132M
|
65
|
38
|
10
|
41.3
|
57
|
230
|
265
|
300
|
5
|
18
|
4
|
15
|
80
|
||
|
11 15
|
160M 160L
|
75
|
42
|
12
|
45.3
|
81
|
250
|
G8
|
300
|
350
|
5
|
20
|
4
|
19
|
110
|
|
|
18.5
|
200L
|
105
|
55
|
E7
|
16
|
59.3
|
80
|
300
|
350
|
400
|
6
|
25
|
4
|
19
|
110
|
|
|
22
|
200L
|
105
|
55
|
16
|
59.3
|
80
|
300
|
350
|
400
|
6
|
30
|
4
|
19
|
109
|
||