
|
功率
Kw |
型號(hào)
G3FM- |
減速比
i |
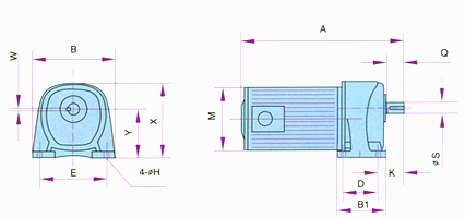
A
|
||||||||||||||
|
D
|
E
|
F
|
G
|
J
|
M
|
H
|
Q
|
S
|
W
|
T
|
T1
|
||||||
|
0.1
|
18
|
5,10,15,20,25,30,40,50
|
280,138,95,70,55,45,35,28
|
236
|
276
|
170
|
145
|
154
|
157
|
16.5
|
114.5
|
11
|
27
|
18
|
6
|
20.5
|
4
|
|
22
|
60,80,100,120,160,200
|
23,17,14,11,8,7
|
262
|
299
|
185
|
148
|
164
|
171.5
|
19
|
114.5
|
11
|
35
|
22
|
6
|
24.5
|
4
|
|
|
0.2
|
18
|
5,10,15,20,25
|
281,144,92,69,57
|
267
|
284
|
170
|
145
|
154
|
161
|
16.5
|
135
|
11
|
27
|
18
|
6
|
20.5
|
4
|
|
22
|
30,40,50,60,80,100
|
45,34,28,23,18,14
|
293
|
310
|
185
|
148
|
164
|
171.5
|
19
|
135
|
11
|
35
|
22
|
6
|
24.5
|
4
|
|
|
28
|
100,120,160,200
|
14,11,8,7
|
306
|
323
|
215
|
170
|
186
|
198.5
|
23.5
|
135
|
11
|
40
|
28
|
8
|
31
|
4
|
|
|
0.4
|
22
|
5,10,15,20,25
|
269,144,91,72,57
|
314
|
333.5
|
185
|
148
|
164
|
171.5
|
19
|
141
|
11
|
35
|
22
|
6
|
24.5
|
4
|
|
28
|
30,40,50,60,80,100
|
46,35,27,24,17,14
|
330
|
349.5
|
215
|
170
|
186
|
198.5
|
23.5
|
141
|
11
|
40
|
28
|
8
|
31
|
4
|
|
|
32
|
100,120,160,200
|
14,11,8,7
|
394
|
368.5
|
250
|
180
|
215
|
234
|
28.5
|
141
|
13
|
50
|
32
|
10
|
35
|
4
|
|
|
0.75
|
28
|
5,10,15,20,25
|
275,132,93,70,57
|
350.0
|
357.5
|
215
|
170
|
186
|
198.5
|
23.5
|
162
|
11
|
40
|
28
|
8
|
31
|
4
|
|
32
|
30,40,50,60,80,100
|
45,34,28,24,17,14
|
379.5
|
387.5
|
250
|
180
|
215
|
234
|
28.5
|
162
|
13
|
50
|
32
|
10
|
35
|
4
|
|
|
1.5
|
32
|
5,10,15,20,25
|
277,140,91,72,56
|
420.5
|
441
|
250
|
180
|
215
|
234
|
28.5
|
186
|
13
|
50
|
32
|
10
|
35
|
4
|

|
功率
Kw |
型號(hào)
G3LM- |
減速比
i |
A
|
||||||||||||||
|
D
|
E
|
K
|
X
|
Y
|
M
|
H
|
Q
|
S
|
W
|
B
|
B1
|
||||||
|
0.1
|
18
|
5,10,15,20,25,30,40,50
|
280,138,95,70,55,45,35,28
|
236
|
276
|
40
|
110
|
45
|
131
|
85
|
114.5
|
9
|
27
|
18
|
6
|
135
|
65
|
|
22
|
60,80,100,120,160,200
|
23,17,14,11,8,7
|
262
|
299
|
65
|
130
|
55
|
139
|
90
|
114.5
|
11
|
35
|
22
|
6
|
155
|
90
|
|
|
0.2
|
18
|
5,10,15,20,25
|
281,144,92,69,57
|
267
|
284
|
40
|
110
|
45
|
136
|
85
|
135
|
9
|
27
|
18
|
6
|
135
|
65
|
|
22
|
30,40,50,60,80,100
|
45,34,28,23,18,14
|
293
|
310
|
65
|
130
|
55
|
139
|
90
|
135
|
11
|
35
|
22
|
6
|
155
|
90
|
|
|
28
|
100,120,160,200
|
14,11,8,7
|
306
|
323
|
90
|
140
|
65
|
167
|
110
|
135
|
11
|
40
|
28
|
8
|
175
|
125
|
|
|
0.4
|
22
|
5,10,15,20,25
|
269,144,91,72,57
|
314
|
333.5
|
65
|
130
|
55
|
141.5
|
90
|
141
|
11
|
35
|
22
|
6
|
155
|
90
|
|
28
|
30,40,50,60,80,100
|
46,35,27,24,17,14
|
330
|
349.5
|
90
|
140
|
66
|
167
|
110
|
141
|
11
|
40
|
28
|
8
|
175
|
125
|
|
|
32
|
100,120,160,200
|
14,11,8,7
|
394
|
368.5
|
130
|
170
|
70
|
198
|
130
|
141
|
13
|
50
|
32
|
10
|
208
|
170
|
|
|
0.75
|
28
|
5,10,15,20,25
|
275,132,93,70,57
|
350.0
|
357.5
|
90
|
140
|
65
|
167.5
|
110
|
162
|
11
|
40
|
28
|
8
|
175
|
125
|
|
32
|
30,40,50,60,80,100
|
45,34,28,24,17,14
|
379.5
|
387.5
|
130
|
170
|
70
|
198
|
130
|
162
|
13
|
50
|
32
|
10
|
208
|
170
|
|
|
1.5
|
32
|
5,10,15,20,25
|
277,140,91,72,56
|
420.5
|
441
|
130
|
170
|
70
|
198
|
130
|
186
|
13
|
50
|
32
|
10
|
208
|
170
|
|
0.10Kw
|
0.20Kw
|
0.40Kw
|
0.75Kw
|
1.50Kw
|
|
|
5
|
5.00
|
4.97
|
5.19
|
5.09
|
5.04
|
|
10
|
10.09
|
9.68
|
9.71
|
10.54
|
9.98
|
|
15
|
14.69
|
15.16
|
15.26
|
14.95
|
15.32
|
|
20
|
19.97
|
20.08
|
19.43
|
1991
|
19.43
|
|
25
|
25.35
|
24.40
|
24.29
|
24.29
|
24.83
|
|
30
|
30.86
|
30.86
|
30.00
|
30.67
|
|
|
40
|
39.34
|
40.17
|
38.96
|
40.79
|
|
|
50
|
49.97
|
49.09
|
50.01
|
49.62
|
|
|
60
|
59.07
|
59.20
|
58.22
|
58.12
|
|
|
80
|
79.67
|
77.14
|
79.29
|
79.38
|
|
|
100
|
97.71
|
100.2
|
100.0
|
98.82
|
|
|
120
|
119.2
|
120.9
|
120.0
|
|
|
|
160
|
158.9
|
161.1
|
159.1
|
|
|
|
200
|
194.5
|
196.4
|
194.5
|
|
|