
|
mm
|
帶寬
mm
|
功率
kW
|
滾筒表面線速度m/s
|
||||||||||||
|
0.25
|
0.32
|
0.4
|
0.5
|
0.63
|
0.8
|
1.0
|
1.25
|
1.6
|
2.0
|
2.5
|
3.15
|
4.0
|
|||
|
φ400
|
500
650
|
1.1 1.5 2.2 3.0 4.0
|
○
|
○
|
○
|
○
|
○
|
○
|
○
|
○
|
○
|
○
|
|
|
|
|
φ500
|
500
650
800
|
2.2 3.0 4.0
|
|
○
|
|
|
○
|
○
|
○
|
○
|
○
|
○
|
○
|
|
|
|
5.5 7.5 11 15
|
|
|
|
|
○
|
○
|
○
|
○
|
○
|
○
|
○
|
○
|
|
||
|
18.5 22 30 37
|
|
|
|
|
|
○
|
○
|
○
|
○
|
○
|
○
|
○
|
|
||
|
φ630
|
650
800
1000
1200
1400
|
5.5 7.5 11 15
|
|
|
|
|
○
|
○
|
○
|
○
|
○
|
○
|
○
|
○
|
|
|
18.5 22 30 37
|
|
|
|
|
|
|
○
|
○
|
○
|
○
|
○
|
○
|
|
||
|
45 55
|
|
|
|
|
|
|
|
○
|
○
|
○
|
○
|
○
|
|
||
|
φ800
|
800
1000
1200
1400
|
5.5 7.5 11 15
|
|
|
|
|
|
○
|
○
|
○
|
○
|
○
|
○
|
○
|
○
|
|
18.5 22 30 37
|
|
|
|
|
|
|
|
○
|
○
|
○
|
○
|
○
|
○
|
||
|
45 55
|
|
|
|
|
|
|
|
|
○
|
○
|
○
|
○
|
○
|
||
|
75 90 110 132 160
|
|
|
|
|
|
|
|
○
|
○
|
○
|
○
|
○
|
|
||
|
φ1000
|
1000
1200
1400
|
18.5 22 30 37
|
|
|
|
|
|
|
|
|
○
|
○
|
○
|
○
|
○
|
|
45 55
|
|
|
|
|
|
|
|
|
|
○
|
○
|
○
|
○
|
||
|
75 90 110 132 160
|
|
|
|
|
|
|
|
|
○
|
○
|
○
|
○
|
○
|
||

|
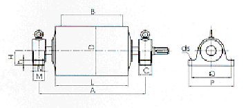
D
|
B
|
A
|
L
|
H
|
C
|
M
|
N
|
P
|
O
|
h
|
ds
|
|
φ400
|
500
|
850
|
600
|
120
|
110
|
90
|
—
|
340
|
280
|
35
|
φ27
|
|
650
|
1000
|
750
|
120
|
110
|
90
|
—
|
340
|
280
|
35
|
φ27
|
|
|
φ500
|
500
|
850
|
620
|
100
|
120
|
70
|
—
|
340
|
280
|
35
|
φ27
|
|
650
|
1000
|
750
|
120
|
120
|
90
|
—
|
340
|
280
|
35
|
φ27
|
|
|
800
|
1300
|
950
|
120
|
120
|
90
|
—
|
340
|
280
|
35
|
φ27
|
|
|
φ630
|
650
|
1000
|
750
|
120
|
120
|
90
|
—
|
340
|
280
|
35
|
φ27
|
|
800
|
1300
|
950
|
140
|
120
|
130
|
80
|
400
|
330
|
35
|
φ27
|
|
|
1000
|
1500
|
1150
|
140
|
120
|
130
|
80
|
400
|
330
|
35
|
φ27
|
|
|
φ630
(>15kW)
|
650
|
1000
|
750
|
120
|
120
|
90
|
—
|
340
|
280
|
35
|
φ27
|
|
800
|
1300
|
950
|
140
|
140
|
130
|
80
|
400
|
330
|
35
|
φ27
|
|
|
1000
|
1500
|
1150
|
140
|
140
|
130
|
80
|
400
|
330
|
35
|
φ27
|
|
|
1200
|
1750
|
1400
|
160
|
160
|
150
|
90
|
440
|
360
|
50
|
φ34
|
|
|
1400
|
2000
|
1600
|
160
|
160
|
150
|
90
|
440
|
360
|
50
|
φ34
|
|
|
φ800
|
800
|
1300
|
950
|
140
|
140
|
130
|
80
|
400
|
330
|
35
|
φ27
|
|
1000
|
1500
|
1150
|
140
|
140
|
130
|
80
|
400
|
330
|
35
|
φ27
|
|
|
1200
|
1750
|
1400
|
160
|
160
|
150
|
90
|
440
|
360
|
50
|
φ34
|
|
|
1400
|
2000
|
1600
|
160
|
160
|
150
|
90
|
440
|
360
|
50
|
φ34
|
|
|
φ1000
|
1000
|
1500
|
1150
|
140
|
140
|
130
|
80
|
400
|
330
|
50
|
φ27
|
|
1200
|
1750
|
1400
|
160
|
160
|
150
|
90
|
440
|
360
|
50
|
φ34
|
|
|
1400
|
2000
|
1600
|
160
|
160
|
150
|
90
|
440
|
360
|
50
|
φ34
|
|
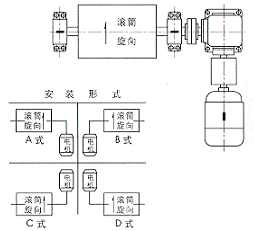
WD型外裝式減速滾筒分類表
|

|
||||||||||||||||||||||||||||||||||||||||||||||||||||||||||||||||||||||||||||||||||||||||||||||||||||||||||||||
|
|
|||||||||||||||||||||||||||||||||||||||||||||||||||||||||||||||||||||||||||||||||||||||||||||||||||||||||