
|
帶速(m/s)
|
1.25~1.8
|
1.6~1.8
|
1.8~2.5
|
1.4~2.5
|
1.6~2.5
|
1.8~2.5
|
2.5
|
2.2~2.5
|
1.8~2.5
|
||||
|
帶寬(mm)
|
800
|
800
|
1000
|
800
|
1000
|
800
|
1000
|
800
|
1000
|
1000
|
1000
|
||
|
滾筒直徑(mm)
|
500
|
630
|
800
|
800
|
|||||||||
|
15
|
18.5
|
22
|
22
|
30
|
37
|
45
|
55
|
55
|
|||||
|
TMG550
|
TMG625
|
TMG710
|
TMG850
|
||||||||||
|
20.2
|
20.2
|
15
|
15
|
15
|
20.3
|
||||||||

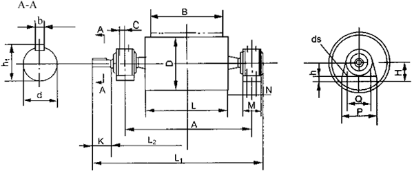
|
B
|
D
|
A
|
L
|
L2
|
M
|
N
|
Q
|
P
|
H
|
h
|
L1
|
k
|
h1
|
d
|
b
|
ds
|
||
|
500
|
500
|
850
|
600
|
505.5
|
70
|
-
|
280
|
340
|
100
|
33
|
φ27
|
16300
|
25000
|
|||||
|
650
|
500
|
1000
|
750
|
588.5
|
90
|
-
|
350
|
410
|
120
|
33
|
φ27
|
21200
|
32600
|
|||||
|
630
|
29600
|
45400
|
||||||||||||||||
|
800
|
500
|
1300
|
950
|
738.5
|
90
|
-
|
350
|
410
|
120
|
33
|
φ27
|
26200
|
40100
|
|||||
|
630
|
771
|
130
|
80
|
380
|
460
|
140
|
33
|
36700
|
56100
|
|||||||||
|
800
|
55900
|
85500
|
||||||||||||||||
|
1000
|
630
|
1500
|
1150
|
871
|
130
|
80
|
380
|
460
|
140
|
33
|
φ27
|
45700
|
70100
|
|||||
|
800
|
900
|
160
|
90
|
440
|
530
|
160
|
53
|
φ30
|
69600
|
106800
|
||||||||
|
1000
|
930
|
170
|
100
|
480
|
570
|
180
|
53
|
-
|
177500
|
|||||||||
|
1200
|
630
|
1750
|
1400
|
1025
|
160
|
90
|
440
|
530
|
160
|
53
|
φ34
|
54900
|
84000
|
|||||
|
800
|
83700
|
128100
|
||||||||||||||||
|
1000
|
1055
|
170
|
100
|
480
|
570
|
180
|
53
|
-
|
21300
|
|||||||||
|
1250
|
1065
|
160
|
110
|
540
|
630
|
200
|
63
|
-
|
300000
|
|||||||||
|
1400
|
800
|
2000
|
1600
|
1150
|
160
|
90
|
440
|
530
|
160
|
53
|
φ34
|
97600
|
149200
|
|||||
|
1000
|
1190
|
180
|
110
|
540
|
630
|
200
|
63
|
-
|
249250
|
|||||||||
|
1250
|
-
|
350000
|
||||||||||||||||
|
1400
|
1200
|
200
|
120
|
590
|
680
|
220
|
63
|
φ40
|
-
|
470000
|
||||||||