

|
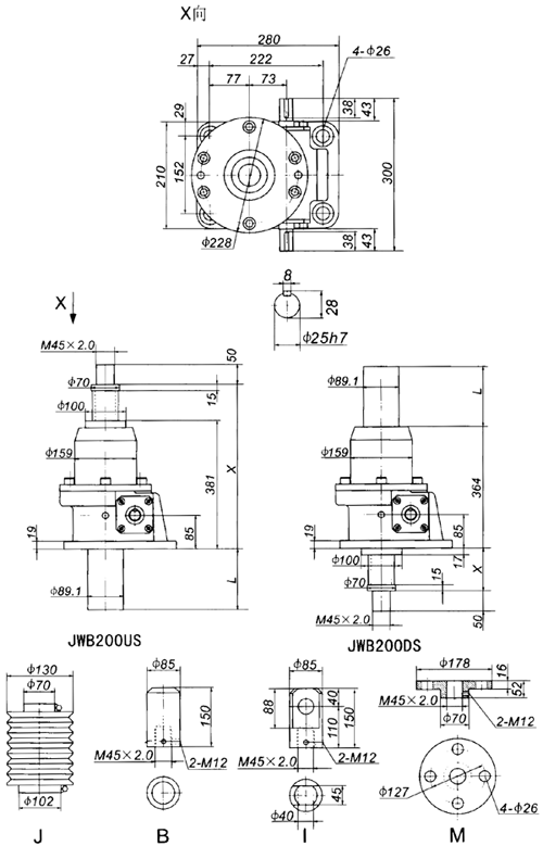
行程(mm)
|
US
|
DS
|
m(kg)
|
||||||||
|
X
|
X⑴
|
L
|
X
|
X⑴
|
L
|
||||||
|
MIN
|
MAX
|
MIN
|
MAX
|
MIN
|
MAX
|
MIN
|
MAX
|
||||
|
100
|
406
|
506
|
416
|
516
|
136
|
42
|
142
|
52
|
152
|
136
|
65
|
|
200
|
406
|
606
|
416
|
616
|
236
|
42
|
242
|
52
|
252
|
236
|
68
|
|
300
|
406
|
706
|
431
|
731
|
351
|
42
|
342
|
67
|
367
|
351
|
72
|
|
400
|
406
|
806
|
431
|
831
|
451
|
42
|
442
|
67
|
467
|
451
|
76
|
|
500
|
406
|
906
|
456
|
956
|
576
|
42
|
542
|
92
|
592
|
576
|
80
|
|
600
|
406
|
1006
|
456
|
1056
|
676
|
42
|
642
|
92
|
692
|
676
|
83
|
|
800
|
406
|
1206
|
471
|
1271
|
891
|
42
|
842
|
107
|
907
|
891
|
90
|
|
1000
|
406
|
1406
|
481
|
1481
|
1101
|
42
|
1042
|
117
|
1117
|
1101
|
97
|
|
行程(mm)
|
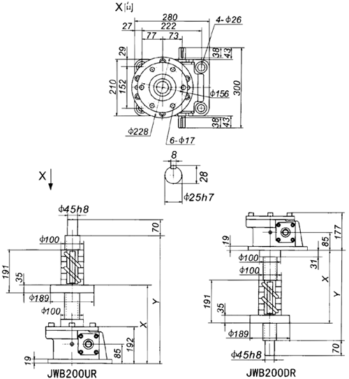
UR
|
|||
|
X
|
Y
|
m(kg)
|
||
|
MIN
|
MAX
|
|||
|
100
|
237
|
337
|
503
|
56
|
|
200
|
237
|
437
|
603
|
58
|
|
300
|
237
|
537
|
703
|
60
|
|
400
|
237
|
637
|
803
|
62
|
|
500
|
237
|
737
|
903
|
65
|
|
600
|
237
|
837
|
1003
|
67
|
|
800
|
237
|
1037
|
1203
|
71
|
|
1000
|
237
|
1237
|
1403
|
76
|
|
1200
|
237
|
1437
|
1603
|
80
|
|
行程(mm)
|
DR
|
|||
|
X
|
Y
|
m(kg)
|
||
|
MIN
|
MAX
|
|||
|
100
|
232
|
332
|
342
|
56
|
|
200
|
232
|
432
|
442
|
58
|
|
300
|
232
|
532
|
542
|
60
|
|
400
|
232
|
632
|
642
|
62
|
|
500
|
232
|
732
|
742
|
65
|
|
600
|
232
|
832
|
842
|
67
|
|
800
|
232
|
1032
|
1042
|
71
|
|
1000
|
232
|
1232
|
1242
|
76
|
|
1200
|
232
|
1432
|
1442
|
80
|