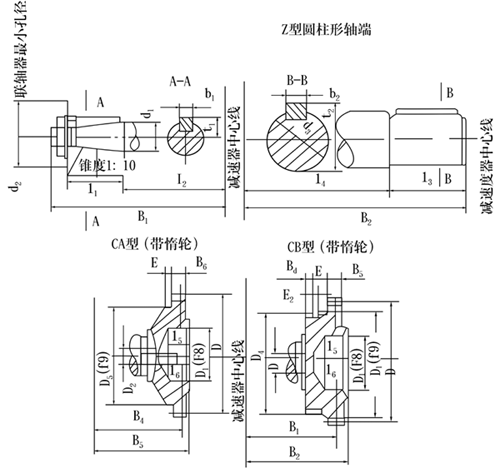
ZQ250、ZQH250、ZQSH250、ZQ350、ZQH350、ZQSH350、ZQ400、ZQH400、ZQSH400、ZQ500、ZQH500、ZQSH500、ZQ650、ZQH650、ZQSH650、ZQ850、ZQH850、ZQSH850、ZQ1000、ZQH1000、ZQSH1000系列齒輪減速機軸端尺寸(Z型)
高 速 軸 端 | 低 速 軸 端 | |||||||||||||
Z型 | ||||||||||||||
d1 | l1 | l2 | B1 | d2 | d1 | t1 | d3 | l3 | l4 | B2 | b2 | t2 | ||
ZQ ZQH ZQSH | 250 | 30 | 60 | 120 | 200 | 55 | 8 | 16.5 | 55 | 85 | 135 | 220 | 16 | 58.5 |
350 | 40 | 85 | 150 | 260 | 75 | 12 | 21.5 | 55 (65) | 85 (105) | 165 | 250 (270) | 16 (18) | 58.5 (68..9) | |
400 | 40 | 85 | 160 | 270 | 75 | 12 | 21.5 | 80 (95) | 125 | 175 | 300 | 24 (28) | 85 (100.7) | |
500 | 50 | 85 | 220 | 330 | 85 | 16 | 28 | 80 | 125 | 200 | 325 | 24 | 85 | |
(95) | (145) | (205) | (350) | (28) | (100.7) | |||||||||
650 | 60 | 110 | 290 | 430 | 110 | 18 | 32.5 | 110 (125) | 165 | 205 | 430 | 32 (36) | 116.5 (132.2) | |
750 | 60 | 110 | 310 | 450 | 110 | 18 | 32.5 | 110 | 165 | 285 | 450 | 32 | 116.5 | |
850 | 90 | 135 | 340 | 510 | 150 | 24 | 49 | 130 | 200 | 325 | 525 | 36 | 137.2 | |
1000 | 90 | 135 | 350 | 550 | 150 | 24 | 49 | 150 | 240 | 365 | 605 | 40 | 158.5 | |
高 速 軸 端 | 低 速 軸 端 | |||||||||||||||||||||||||
CA CB型 | ||||||||||||||||||||||||||
d1 | l1 | l2 | B1 | d2 | d1 | t1 | m | Z | D | D1 | D2 | D3 | B3 | B4 | B5 | E | l5 | l6 | md | Zd1 | Dd | Bd | E1 | E2 | ||
ZQ ZQH ZQSH | 250 | 30 | 60 | 120 | 200 | 55 | 8 | 16.5 | 3 | 40 | 120 | 65 | 40 | 100 | 164.5 | 154.5 | 20 | 24.5 | 35 | 40 | - | - | - | - | - | - |
350 | 40 | 85 | 150 | 260 | 75 | 12 | 21.5 | 3 | 48 | 144 | 90 | 40 | 110 | 214 | 189.5 | 25 | 27 | 45 | 60 | - | - | - | - | - | - | |
400 | 40 | 85 | 160 | 270 | 75 | 12 | 21.5 | 3 | 56 | 168 | 90 | 40 | 140 | 234 | 207.5 | 25 | 35 | 45 | 60 | - | - | - | - | - | - | |
500 | 50 | 85 | 220 | 330 | 85 | 16 | 28 | 4 | 56 | 224 | 120 | 40 | 170 | 270 | 238.5 | 35 | 25 | 50 | 75 | 4 | 40 | 160 | 15 | 26 | 16 | |
650 | 60 | 110 | 290 | 430 | 110 | 18 | 32.5 | 6 | 56 | 336 | 170 | 45 | 260 | 342 | 310 | 40 | 32 | 68 | 95 | 4 | 69 | 276 | 15 | 35 | 35 | |
750 | 60 | 110 | 310 | 450 | 110 | 18 | 32.5 | 6 | 56 | 336 | 170 | 45 | 260 | 362 | 330 | 40 | 32 | 68 | 95 | - | - | - | - | - | - | |
850 | 90 | 135 | 340 | 510 | 150 | 24 | 49 | 8 | 54 | 432 | 200 | 105 | 260 | 403 | 363 | 50 | 22 | 78 | 100 | 4 | 63 | 252 | 14 | 30 | 22 | |
1000 | 90 | 135 | 350 | 550 | 150 | 24 | 49 | 10 | 48 | 480 | 200 | 105 | 320 | 507 | 442 | 60 | 45 | 98 | 126 | - | - | - | - | - | - | |