
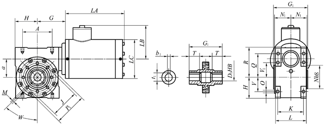
|
|
a
|
b1
|
t1
|
A
|
D1 H8
|
G
|
G1
|
H
|
J
|
K
|
L
|
|
TSRV040
|
40
|
6
|
20.8(21.8*)
|
70
|
φ18(φ19*)
|
70
|
78
|
50
|
φ75
|
60
|
71
|
|
TSRV050
|
50
|
8
|
28.3(27.3*)
|
80
|
φ25(φ24*)
|
80
|
92
|
60
|
φ85
|
70
|
85
|
|
TSRV063
|
63
|
8
|
28.3(31.3*)
|
100
|
φ25(φ28*)
|
95
|
112
|
72
|
φ95
|
85
|
103
|
|
TSRV075
|
75
|
8(10*)
|
31.3(38.3*)
|
120
|
φ28(φ35*)
|
112.5
|
120
|
86
|
φ115
|
90
|
112
|
|
|
M
|
N h8
|
N1
|
O
|
P1
|
Q
|
R
|
T
|
V
|
V1
|
|
TSRV040
|
4-M6×8
|
φ60
|
36.5
|
14-M6×8
|
φ87
|
55
|
71.5
|
26
|
35
|
35
|
|
TSRV050
|
4-M8×10
|
φ70
|
43.5
|
14-M6×10
|
φ100
|
6.4
|
84
|
30
|
40
|
40
|
|
TSRV063
|
8-M8×14
|
φ80
|
53
|
14-M8×14
|
φ110
|
80
|
102
|
36
|
50
|
50
|
|
TSRV075
|
8-M8×14
|
φ95
|
57
|
14-M10×16
|
φ140
|
93
|
119
|
40
|
60
|
60
|
|
B14
|
H63
|
H71
|
H80
|
H90S
|
H90L
|
H100
|
H112
|
|
LA
|
216
|
246
|
279
|
316
|
361
|
470
|
406
|
|
LB
|
112
|
122
|
127
|
140
|
140
|
153
|
171
|
|
LC
|
114
|
134
|
144
|
176
|
176
|
202
|
231
|