
|
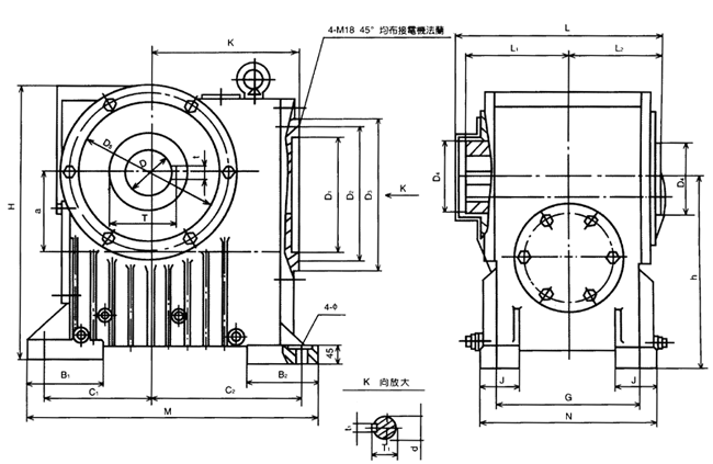
a
|
B1
|
B2
|
C1
|
C2
|
M
|
J
|
G
|
N
|
H
|
h
|
K
|
L
|
L1
|
|
|
-7.5
RD-11 -10
-12.5
|
125
|
115
|
190
|
175
|
255
|
480
|
68
|
230
|
280
|
495
|
300
|
243
|
340
|
150
|
|
RD-4 -240
|
180
|
162
|
150
|
225
|
325
|
620
|
85
|
300
|
375
|
612.5
|
420
|
318
|
453
|
220
|
|
RD-5.5 -200
-280
|
200
|
80
|
80
|
145
|
305
|
500
|
80
|
340
|
390
|
636
|
440
|
373
|
484
|
210
|
|
L2
|
D1
|
D2
|
D3
|
D4
|
D5
|
D
|
T
|
t
|
d
|
T1
|
t1
|
φ
|
|
|
-7.5
RD-11 -10
-12.5
|
150
|
φ280
|
φ315
|
/
|
φ125
|
/
|
φ90
|
95.4
|
25
|
φ32
|
34.8
|
10
|
φ20
|
|
RD-4 12.5
-240
|
200
|
φ260
|
φ300
|
φ340
|
φ160
|
φ300
|
φ100
|
106.4
|
28
|
φ28
|
31.3
|
8
|
φ24
|
|
RD-5.5 -200
-280
|
210
|
φ280
|
φ315
|
φ355
|
φ160
|
φ315
|
φ100
|
106.4
|
28
|
φ32
|
34.8
|
10
|
φ2
|