
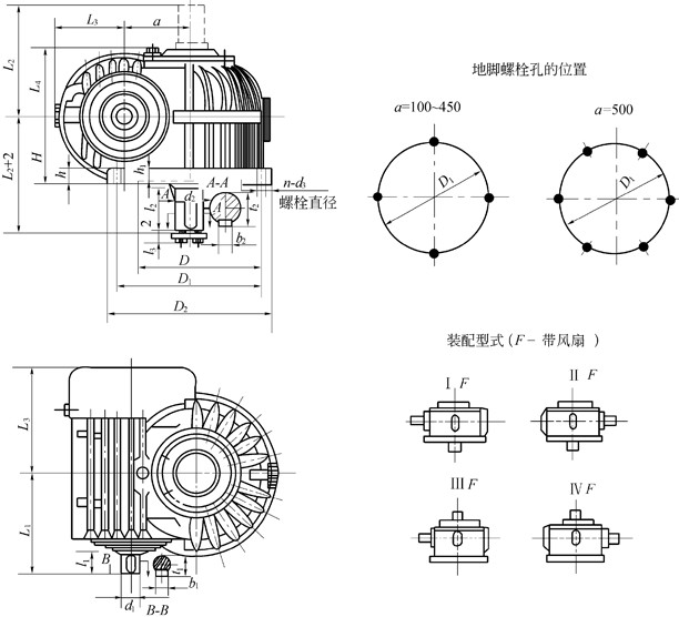
|
a
|
D
|
D1
|
D2
|
L3
|
L4
|
L5
|
h
|
h1
|
H
|
i≤12.5
|
|||||
|
d1
|
I1
|
b1
|
t1
|
L1
|
|||||||||||
|
125
|
125
|
230
|
280
|
320
|
202
|
134
|
125
|
32
|
8
|
132
|
32k6
|
58
|
10
|
35
|
218
|
|
160
|
160
|
300
|
360
|
400
|
245
|
157
|
142
|
32
|
8
|
160
|
42k6
|
82
|
12
|
45
|
277
|
|
200
|
200
|
370
|
435
|
480
|
295
|
181
|
180
|
38
|
8
|
190
|
48k6
|
82
|
14
|
51.5
|
324
|
|
250
|
250
|
470
|
540
|
600
|
360
|
210
|
210
|
40
|
8
|
212
|
55k6
|
82
|
16
|
59
|
380
|
|
280
|
280
|
550
|
640
|
700
|
390
|
226
|
215
|
45
|
8
|
225
|
60m6
|
105
|
18
|
64
|
430
|
|
315
|
315
|
605
|
700
|
760
|
430
|
243
|
235
|
50
|
10
|
250
|
65m6
|
105
|
18
|
69
|
470
|
|
355
|
355
|
700
|
805
|
880
|
480
|
256
|
235
|
55
|
10
|
265
|
70m6
|
105
|
20
|
74.5
|
515
|
|
400
|
400
|
765
|
875
|
950
|
515
|
278
|
247
|
60
|
10
|
265
|
75m6
|
105
|
20
|
79.5
|
545
|
|
450
|
450
|
875
|
990
|
1070
|
565
|
300
|
275
|
65
|
10
|
315
|
80m6
|
130
|
22
|
85
|
625
|
|
500
|
500
|
1000
|
1100
|
1180
|
655
|
344
|
300
|
75
|
10
|
375
|
90m6
|
130
|
25
|
95
|
680
|
|
i≥16
|
d2
|
I2
|
b2
|
t2
|
L2
|
I3
|
kg(不含油)
|
||||||||
|
d1
|
I1
|
b1
|
t1
|
L1
|
d3
|
n
|
|||||||||
|
125
|
28js6
|
42
|
8
|
31
|
202
|
55k6
|
82
|
16
|
59
|
222
|
14
|
M12
|
4
|
95
|
|
|
160
|
32k6
|
58
|
10
|
35
|
253
|
65m6
|
105
|
18
|
69
|
270
|
15
|
M16
|
4
|
150
|
|
|
200
|
38k6
|
58
|
10
|
41
|
300
|
80m6
|
130
|
22
|
85
|
325
|
17
|
M16
|
4
|
270
|
|
|
250
|
42k6
|
82
|
12
|
45
|
380
|
100m6
|
165
|
28
|
106
|
385
|
17
|
M20
|
4
|
410
|
|
|
280
|
48k6
|
82
|
14
|
51.5
|
407
|
110m6
|
165
|
28
|
116
|
405
|
17
|
M24
|
4
|
550
|
|
|
315
|
48k6
|
82
|
14
|
51.5
|
447
|
120m6
|
165
|
32
|
127
|
420
|
17
|
M24
|
4
|
750
|
|
|
355
|
55k6
|
82
|
16
|
59
|
492
|
130m6
|
200
|
32
|
137
|
470
|
17
|
M30
|
4
|
930
|
|
|
400
|
60m6
|
105
|
18
|
64
|
545
|
150m6
|
200
|
36
|
158
|
490
|
24
|
M30
|
4
|
1200
|
|
|
450
|
65m6
|
105
|
18
|
69
|
600
|
170m6
|
240
|
40
|
179
|
560
|
24
|
M36
|
4
|
1650
|
|
|
500
|
70m6
|
105
|
20
|
74.5
|
655
|
190m6
|
280
|
45
|
200
|
640
|
24
|
M30
|
6
|
2190
|
|