
|
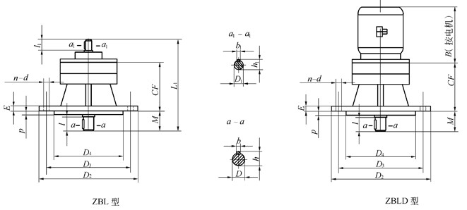
ZBL、ZBLD
|
||||||||||||||
|
0
|
1
|
2
|
3
|
4
|
5
|
6
|
7
|
8
|
9
|
10
|
11
|
12
|
||
|
D2
|
120
|
160
|
180
|
230
|
260
|
340
|
400
|
430
|
490
|
580
|
650
|
880
|
1160
|
|
|
CF
|
57
|
111
|
115
|
143
|
161
|
219
|
262
|
279
|
335
|
382
|
438
|
598
|
796
|
|
|
L1
|
125
|
202
|
212
|
267
|
324
|
417
|
478
|
532
|
602
|
723
|
814
|
1050
|
1448
|
|
|
安
裝
尺
寸
|
D4
|
80
|
110
|
130
|
170
|
200
|
270
|
316
|
345
|
400
|
455
|
520
|
680
|
900
|
|
D3
|
102
|
134
|
160
|
200
|
230
|
310
|
360
|
390
|
450
|
520
|
590
|
800
|
1020
|
|
|
E
|
8
|
9
|
12
|
15
|
15
|
20
|
22
|
22
|
30
|
35
|
40
|
45
|
60
|
|
|
P
|
3
|
3
|
3
|
4
|
4
|
4
|
5
|
5
|
6
|
8
|
10
|
10
|
10
|
|
|
M
|
29
|
48
|
42
|
50
|
79
|
93
|
92
|
114
|
112
|
170
|
174
|
210
|
370
|
|
|
n-d
|
6-10
|
4-12
|
6-12
|
6-12
|
6-12
|
6-12
|
8-16
|
8-18
|
12-18
|
12-22
|
12-22
|
12-38
|
8-39
|
|
|
寸
|
b1
|
4
|
5
|
5
|
6
|
6
|
8
|
10
|
12
|
14
|
14
|
16
|
20
|
25
|
|
h1
|
11.5
|
17
|
17
|
20.5
|
24
|
33
|
38
|
43
|
48.5
|
53.5
|
60
|
76
|
95
|
|
|
D1
|
10
|
15
|
15
|
18
|
22
|
30
|
35
|
40
|
45
|
50
|
55
|
70
|
90
|
|
|
l1
|
15
|
25
|
25
|
35
|
40
|
45
|
54
|
65
|
70
|
80
|
100
|
120
|
150
|
|
|
b
|
5
|
8
|
8
|
10
|
14
|
16
|
18
|
22
|
25
|
28
|
28
|
32
|
45
|
|
|
h
|
16
|
31
|
28
|
38
|
48.5
|
59
|
69
|
85
|
95
|
106
|
116
|
137
|
190
|
|
|
D
|
14
|
25
|
25
|
35
|
45
|
55
|
65
|
80
|
90
|
100
|
110
|
130
|
180
|
|
|
l
|
20
|
35
|
34
|
45
|
63
|
79
|
80
|
98
|
110
|
129
|
140
|
184
|
320
|
|