
|
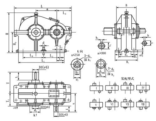
中心高
|
B1
|
B2
|
L1
|
L2
|
L3
|
H1
|
||||||||||||
|
a
|
H0
|
H
|
L
|
B
|
d
|
n
|
B3
|
L4
|
L5
|
L6
|
||||||||
|
ZD
ZDH
ZDSH
|
10
|
100
|
130-0.5
|
240
|
335
|
140
|
150
|
48
|
245
|
35
|
95
|
16
|
M16
|
4
|
110
|
10
|
─
|
195
|
|
15
|
150
|
200-0.5
|
355
|
450
|
210
|
220
|
70
|
340
|
35
|
110
|
20
|
6
|
160
|
80
|
200
|
|||
|
20
|
200
|
250-0.5
|
493
|
575
|
250
|
250
|
80
|
440
|
45
|
145
|
20
|
170
|
130
|
220
|
||||
|
25
|
250
|
300-0.5
|
593
|
710
|
270
|
290
|
90
|
545
|
50
|
165
|
25
|
M20
|
210
|
160
|
295
|
|||
|
30
|
300
|
350-0.5
|
683
|
835
|
300
|
320
|
100
|
650
|
64
|
195
|
30
|
M24
|
240
|
20
|
205
|
350
|
||
|
35
|
350
|
400-0.5
|
778
|
955
|
350
|
360
|
110
|
750
|
68
|
215
|
30
|
280
|
250
|
400
|
||||
|
40
|
400
|
450-0.5
|
878
|
1085
|
390
|
400
|
120
|
850
|
67
|
240
|
32
|
M30
|
310
|
280
|
470
|
|||
|
45
|
450
|
500-0.5
|
973
|
1210
|
430
|
450
|
130
|
970
|
92
|
265
|
40
|
340
|
35
|
325
|
525
|
|||
|
50
|
500
|
550-1.0
|
1106
|
1320
|
470
|
500
|
140
|
1070
|
97
|
275
|
40
|
M36
|
390
|
40
|
355
|
600
|
||
|
60
|
600
|
650-1.0
|
1301
|
1550
|
540
|
540
|
145
|
1265
|
97
|
310
|
45
|
430
|
440
|
700
|
||||
|
70
|
700
|
750-1.0
|
1496
|
1820
|
580
|
610
|
150
|
1490
|
128
|
370
|
52
|
M42
|
500
|
55
|
550
|
790
|
||
|
80
|
800
|
850-1.0
|
1690
|
2058
|
630
|
650
|
160
|
1715
|
163
|
650
|
55
|
M48
|
545
|
55
|
650
|
860
|
||
|
S
|
低速軸
|
T
|
大重量/kg
|
|||||||||||||||
|
I
|
D
|
b
|
t
|
I1
|
D1
|
b1
|
t1
|
T1
|
d1
|
D2
|
d7
|
d8
|
h2
|
|||||
|
ZD
ZDH
ZDSH
|
10
|
55
|
25
|
8
|
27.5
|
155
|
55
|
30
|
8
|
32.5
|
155
|
95
|
35
|
14
|
24
|
M6
|
15
|
32
|
|
15
|
55
|
30
|
8
|
32.5
|
210
|
70
|
40
|
12
|
42.8
|
225
|
135
|
45
|
25
|
35
|
85
|
|||
|
20
|
70
|
40
|
12
|
42.8
|
255
|
85
|
55
|
16
|
58.5
|
270
|
160
|
60
|
40
|
155
|
||||
|
25
|
85
|
50
|
16
|
53.5
|
280
|
105
|
70
|
20
|
74.2
|
315
|
170
|
75
|
260
|
|||||
|
30
|
105
|
60
|
18
|
63.9
|
315
|
115
|
85
|
24
|
90.0
|
340
|
185
|
95
|
75
|
55
|
M8
|
20
|
375
|
|
|
35
|
105
|
70
|
20
|
74.2
|
355
|
125
|
100
|
28
|
105.7
|
380
|
215
|
110
|
530
|
|||||
|
40
|
125
|
80
|
24
|
85.0
|
400
|
140
|
110
|
32
|
116.5
|
415
|
235
|
120
|
735
|
|||||
|
45
|
140
|
90
|
24
|
95.0
|
435
|
165
|
130
|
36
|
137.2
|
470
|
255
|
140
|
950
|
|||||
|
50
|
160
|
100
|
28
|
105.7
|
475
|
180
|
140
|
36
|
147.2
|
500
|
275
|
150
|
1345
|
|||||
|
60
|
165
|
120
|
32
|
126.5
|
515
|
200
|
170
|
40
|
178.5
|
570
|
310
|
180
|
1915
|
|||||
|
70
|
180
|
140
|
36
|
147.2
|
580
|
240
|
200
|
45
|
209.7
|
630
|
335
|
220
|
2700
|
|||||
|
80
|
180
|
140
|
36
|
148.0
|
600
|
240
|
200
|
45
|
210
|
650
|
355
|
200
|
3500
|
|||||