
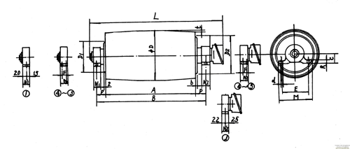
|
機(jī)型號
|
直徑D
|
A
|
B
|
C
|
D1
|
D2
|
E
|
M
|
N1
|
N2
|
R
|
a
|
b
|
d
|
P
|
F
|
t
|
L
|
||
|
1
|
FXT26
|
260
|
400
|
470
|
50
|
170
|
174
|
125
|
155
|
35
|
40
|
20
|
19
|
10
|
13
|
35
|
—
|
1.5
|
600
|
300
|
|
2
|
FXT30
|
300
|
500
|
580
|
60
|
194
|
210
|
150
|
180
|
50
|
47
|
20
|
6
|
4.5
|
14
|
40
|
—
|
2
|
760
|
400
|
|
3
|
FXT36
|
360
|
650
|
800
|
70
|
228
|
278
|
170
|
210
|
60
|
60
|
20
|
11
|
11
|
18
|
75
|
—
|
2
|
940
|
500
|
|
4
|
FXT46
|
460
|
800
|
930
|
80
|
0
|
0
|
200
|
240
|
100
|
100
|
25
|
0
|
0
|
18
|
65
|
60
|
2
|
1160
|
650
|
|
5
|
FXT52
|
520
|
950
|
1100
|
95
|
0
|
0
|
220
|
260
|
120
|
120
|
25
|
0
|
0
|
18
|
75
|
80
|
2
|
1310
|
800
|