


|
WSH-2T
|
WSH-3T
|
WSH-5T
|
WSH-10T
|
WSH-15T
|
WSH-20T
|
WSH-30T
|
WSH-40T
|
WSH-50T
|
WSH-100T
|
|
|
φ25
P=5
|
φ32
P=6
|
φ38
P=6
|
φ50
P=8
|
φ65
P=10
|
φ75
P=12
|
φ80
P=12
|
φ90
P=14
|
φ100
P=16
|
φ100
P=16
|
|
|
1/5
1/10
1/20
|
1/6
1/12
1/24
|
1/6
1/12
1/24
|
1/8
1/16
1/32
|
1/8
1/16
1/32
|
1/10
1/20
1/40
|
1/12
1/18
1/36
|
1/12
1/18
1/36
|
1/7
1/14
1/28
|
1/8
1/16
1/32
|
|
|
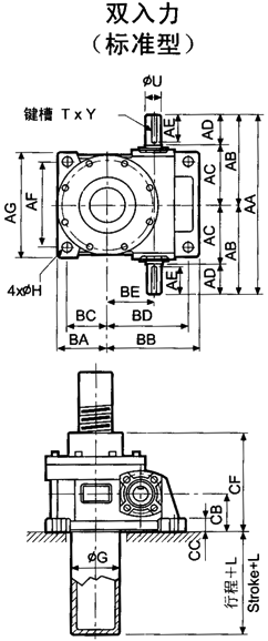
AA
|
170
|
220
|
220
|
256
|
264
|
316
|
390
|
420
|
480
|
550
|
|
AB
|
85
|
110
|
110
|
128
|
132
|
158
|
195
|
210
|
240
|
275
|
|
AC
|
55
|
70
|
70
|
88
|
92
|
108
|
130
|
145
|
170
|
180
|
|
AD
|
30
|
40
|
40
|
40
|
40
|
50
|
65
|
65
|
70
|
95
|
|
AE
|
25
|
35
|
35
|
35
|
35
|
45
|
60
|
60
|
65
|
90
|
|
AF
|
66
|
80
|
90
|
100
|
110
|
140
|
190
|
210
|
240
|
250
|
|
AG
|
90
|
110
|
120
|
140
|
150
|
180
|
230
|
260
|
300
|
320
|
|
AH
|
|
70
|
80
|
100
|
100
|
120
|
150
|
165
|
194
|
218
|
|
BA
|
50
|
57
|
60
|
90
|
90
|
95
|
110
|
130
|
160
|
170
|
|
BB
|
85
|
98
|
110
|
140
|
140
|
155
|
200
|
225
|
255
|
285
|
|
BC
|
38
|
42
|
45
|
70
|
70
|
75
|
85
|
105
|
130
|
135
|
|
BD
|
73
|
83
|
95
|
120
|
120
|
135
|
175
|
200
|
225
|
250
|
|
BE
|
35
|
40
|
50
|
60
|
63
|
70
|
100
|
120
|
130
|
150
|
|
CB
|
40
|
50
|
50
|
60
|
60
|
70
|
85
|
100
|
120
|
125
|
|
CC
|
15
|
18
|
18
|
20
|
20
|
25
|
30
|
30
|
30
|
32
|
|
CF
|
110
|
130
|
130
|
160
|
160
|
180
|
220
|
260
|
315
|
345
|
|
φG
|
44.5
|
51
|
63.5
|
70
|
82.6
|
95.3
|
|
|
|
|
|
φU
|
15
|
18
|
18
|
25
|
25
|
28
|
32
|
35
|
45
|
50
|
|
T×V
|
5×3
|
6×3.5
|
6×3.6
|
8×4
|
8×4
|
8×4
|
10×5
|
10×5
|
14×5.5
|
14×5.5
|
|
L
|
Stroke
+55
|
Stroke
+60
|
Stroke
+60
|
Stroke
+60
|
Stroke
+65
|
Stroke
+75
|
|
|
|
|
|
φLA
|
|
130
|
130
|
165
|
165
|
165
|
215
|
215
|
265
|
265
|
|
φLB
|
|
110
|
110
|
130
|
130
|
130
|
180
|
180
|
230
|
230
|
|
φLC
|
|
160
|
160
|
200
|
200
|
200
|
250
|
250
|
300
|
300
|
|
LZ
|
|
M8
P1.25
|
M8
P1.25
|
M10
P1.5
|
M10
P1.5
|
M10
1.5
|
M12
P1.75
|
M12
P1.75
|
M16
P2.0
|
M16
P2.0
|
|
φD
W×Y
|
|
14
5×2.3
0.25/0.37
|
14
5×2.3
0.25/0.37
|
19
6×2.8
0.75
|
19
6×2.8
0.75
|
24
8×3.3
1.5
|
28
8×3.3
2.2
|
28
8×3.3
4
|
38
10×3.3
5.5
|
38
10×3.3
7.5
|
|
φD
W×Y
|
|
|
|
24
8×3.3
0.75
|
24
8×3.3
0.75
|
|
|
|
|
|
|
φH
|
12
|
12
|
12
|
18
|
18
|
18
|
22
|
22
|
22
|
27
|