KA47減速機係列斜齒輪-弧齒錐齒輪減速電機的產品簡介及使用範圍
KA47減速機係列斜齒輪弧齒錐齒輪減速電機安裝形式圖例
各種安裝形式定義為:

GK47減速機/GKAB47減速機係列斜齒輪弧齒錐齒輪減速電機安裝形式圖

GKF47減速機/GKAF47減速機係列斜齒輪弧齒錐齒輪減速電機安裝形式圖

GKAT47減速機/GKA47減速機係列斜齒輪弧齒錐齒輪減速電機安裝形式圖

GKA47減速機係列斜齒輪弧齒錐齒輪減速電機型號表示法及型號示例


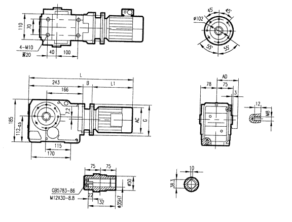
GKA47減速機安裝尺寸圖/K型斜齒輪弧齒錐齒輪減速電機安裝結構圖尺寸

|
電機機座號
|
63
|
71
|
80
|
90S
|
90L
|
100L
|
|
|
|
|
AC
|
130
|
145
|
175
|
195
|
195
|
215
|
|
|
|
|
AD
|
70
|
80
|
145
|
155
|
155
|
180
|
|
|
|
|
B
|
44.5
|
50
|
69
|
69
|
69
|
81
|
|
|
|
|
G
|
140
|
160
|
200
|
200
|
200
|
250
|
|
|
|
|
L1
|
207
|
225
|
255
|
270
|
295
|
325
|
|
|
|
|
L
|
494.5
|
518
|
567
|
582
|
607
|
649
|
|
|
|