HK2T絲桿升降機型號標記示例:

1. HK 係列號,HK係列蝸輪+T型絲桿升降機,
2.5T 型號,以升降機的靜載能力作為型號,主要有:2T, 3T, 5T, 10T 15T. 20T 30T, 40T, 50T, 100T;
3. 6 升降機速比,
4.1 結構型號:
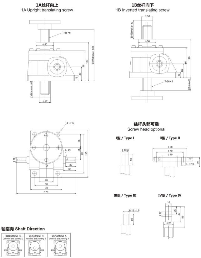
1型螺母作旋轉運動、絲桿作軸向運動(本頁展示的產品均為I型),
2型絲桿作旋轉運動,螺母作軸向運動,
5.A裝配型式:
A型 絲桿(或螺母)向上(安裝麵)移動,
B型絲桿(或螺母)向下(安裝麵)移動,
6. T 絲桿頭部型式:
1:型絲桿頭部分為I型(圓柱型)、 II型(法蘭型)、 III型(螺紋型)、 IV型(扁頭型)四種,
2:型絲桿頭部分為過以圓柱型)、 III型(螺紋型),
7.100 升降行程 , 客戶自定義,
8. FZ 絲桿的防旋和防護,
1型結構有基本型、 防旋轉型(F-鍵防旋)和帶防護罩型(Z鋼管防護-被動側, X伸縮管防護-主動側, Q兩種都有),
2型結構有基本型和帶防護罩型(X伸縮管防護-主動側),
9.C 軸指向A;B;C;
HK2T絲桿升降機選型參數

HK2T絲桿升降機安裝尺寸圖:
