TF係列平行軸斜齒輪減速機(jī)、輸入功率及許用轉(zhuǎn)矩
TF係列平行軸斜齒輪減速機(jī)具有體積小、重量輕、傳遞扭矩大、起動平穩(wěn)、低損耗、安裝方式多樣,輸入輸出靈活等特點。非常適合在空間受限製的情況下使用。並能與各種減、變速機(jī)組合,適用於各種不同條件要求的場所。
輸入功率及許用轉(zhuǎn)矩

輸出轉(zhuǎn)速:0.1~752r/min
輸出轉(zhuǎn)矩:高至17000Nm
電機(jī)功率:0.18~200Kw
安裝形式:底腳安裝 法蘭安裝 軸裝安裝
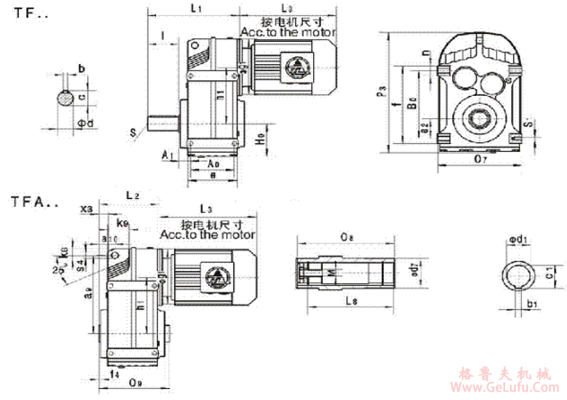
TF38、TFA38、TF48、TFA48、TF58、TFA58、TF68、TFA68、TF78、TFA78、TF88、TFA88、TF98、TFA98、TF108、TFA108、TF128、TFA128、TF158、TFA158、係列平行軸斜齒輪減速機(jī)的安裝尺寸



TFAZ38、TFAZ48、TFAZ58、TFAZ68、TFAZ78、TFAZ88、TFAZ98、TFAZ108、TFAZ128、TFAZ158、係列平行軸斜齒輪減速機(jī)的安裝尺寸



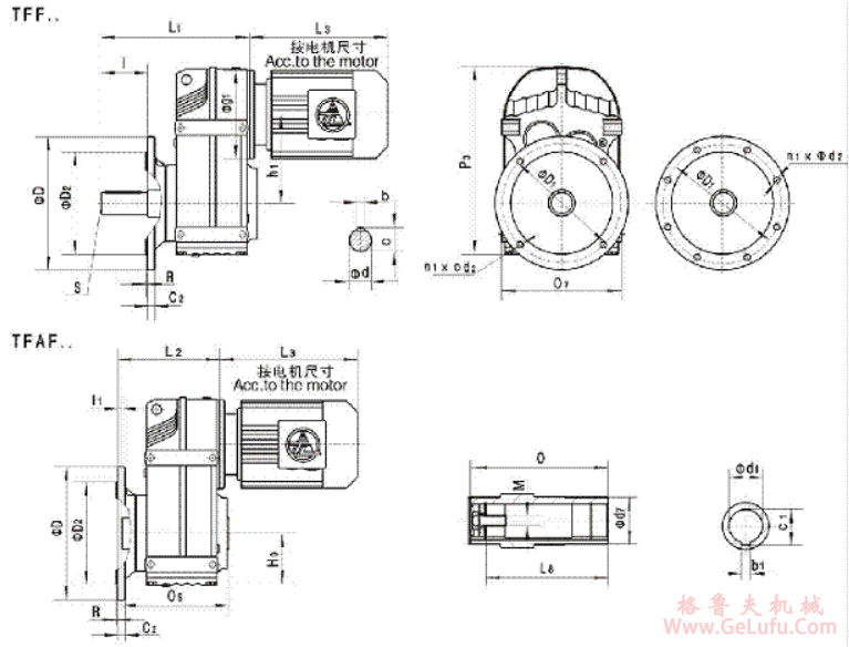
TFF38、TFAF38、TFF48、TFAF48、TFF58、TFAF58、TFF68、TFAF68、TFF78、TFAF78、TFF88、TFAF88、TFF98、TFAF98、TFF108、TFAF108、TFF128、TFAF128、TFF158、TFAF158、係列平行軸斜齒輪減速機(jī)的安裝尺寸

TF係列平行軸斜齒輪減速機(jī)的安裝尺寸(型號為TF..S)
