
|
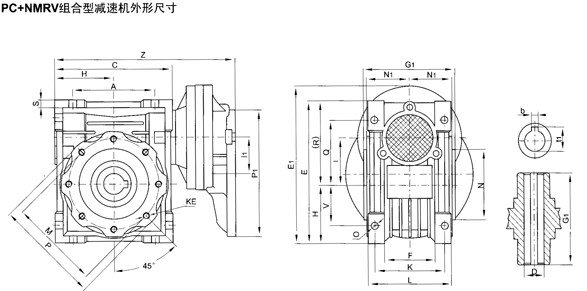
PC+NMRV組合
|
A
|
C
|
D(H7)
|
t1
|
b
|
E
|
E1
|
F
|
G1
|
H
|
I
|
I1
|
K
|
|
|
PC063+
|
NMRV40
|
70
|
100
|
18
|
20.8
|
6
|
121.5
|
147
|
43
|
78
|
50
|
40
|
40
|
60
|
|
NMRV50
|
80
|
120
|
25
|
28.3
|
8
|
145
|
167
|
49
|
92
|
60
|
50
|
40
|
70
|
|
|
NMRV63
|
100
|
144
|
25
|
28.3
|
8
|
174
|
192
|
67
|
112
|
72
|
63
|
40
|
85
|
|
|
PC071+
|
NMRV50
|
80
|
120
|
25
|
28.3
|
8
|
145
|
177.5
|
48
|
92
|
60
|
50
|
50
|
70
|
|
NMRV63
|
100
|
144
|
25
|
28.3
|
8
|
174
|
202.5
|
67
|
112
|
72
|
63
|
50
|
85
|
|
|
NMRV75
|
120
|
172
|
28
|
31.3
|
8
|
205
|
228.5
|
72
|
120
|
86
|
75
|
50
|
90
|
|
|
NMRV90
|
140
|
206
|
35
|
38.3
|
10
|
238
|
260.5
|
72
|
140
|
103
|
90
|
50
|
100
|
|
|
PC080+
|
NMRV75
|
120
|
172
|
28
|
31.3
|
8
|
205
|
241
|
72
|
120
|
86
|
75
|
63
|
90
|
|
NMRV90
|
140
|
206
|
35
|
38.3
|
10
|
238
|
273
|
73
|
140
|
103
|
90
|
63
|
100
|
|
|
NMRV110
|
170
|
252.5
|
42
|
45.3
|
12
|
295
|
317.5
|
|
155
|
127.5
|
110
|
63
|
115
|
|
|
NMRV130
|
200
|
292.5
|
45
|
48.8
|
14
|
335
|
357.5
|
|
170
|
147.5
|
130
|
63
|
120
|
|
|
PC090+
|
NMRV110
|
170
|
252.5
|
42
|
45.3
|
12
|
295
|
317.5
|
|
155
|
127.5
|
110
|
63
|
115
|
|
NMRV130
|
200
|
292.5
|
45
|
48.8
|
14
|
335
|
357.5
|
|
170
|
147.5
|
130
|
63
|
120
|
|
|
PC+NMRV組合
|
KE
|
L
|
M
|
N(h8)
|
N1
|
O
|
P
|
P1
|
Q
|
R
|
V
|
S
|
Z
|
|
|
PC063+
|
NMRV40
|
4-M8×8
|
71
|
75
|
60
|
36.5
|
6.5
|
87
|
140
|
55
|
71.5
|
35
|
6.5
|
165
|
|
NMRV50
|
4-M8×10
|
85
|
85
|
70
|
43.5
|
8.5
|
100
|
140
|
64
|
85
|
40
|
7
|
185.5
|
|
|
NMRV63
|
8-M8×14
|
103
|
95
|
80
|
53
|
8.5
|
110
|
140
|
80
|
102
|
50
|
8
|
213.5
|
|
|
PC071+
|
NMRV50
|
4-M8×10
|
85
|
85
|
70
|
43.5
|
8.5
|
100
|
160
|
64
|
85
|
40
|
7
|
202.5
|
|
NMRV63
|
8-M8×14
|
103
|
95
|
80
|
53
|
8.5
|
110
|
160
|
80
|
102
|
50
|
8
|
221.5
|
|
|
NMRV75
|
8-M8×14
|
113
|
115
|
95
|
57
|
11
|
140
|
160
|
93
|
119
|
60
|
10
|
252
|
|
|
NMRV90
|
8-M10×18
|
130
|
130
|
110
|
67
|
13
|
160
|
160
|
102
|
135
|
70
|
11
|
286
|
|
|
PC080+
|
NMRV75
|
8-M8×14
|
113
|
115
|
95
|
57
|
11
|
140
|
200
|
93
|
119
|
60
|
10
|
271.5
|
|
NMRV90
|
8-M10×18
|
130
|
130
|
110
|
67
|
13
|
160
|
200
|
102
|
135
|
70
|
11
|
305.5
|
|
|
NMRV110
|
8-M10×18
|
142
|
165
|
130
|
74
|
14
|
200
|
200
|
125
|
167.5
|
85
|
15
|
357
|
|
|
NMRV130
|
8-M12×21
|
155
|
215
|
180
|
81
|
16
|
250
|
200
|
140
|
187.5
|
10
|
15
|
397
|
|
|
PC090+
|
NMRV110
|
8-M10×18
|
142
|
165
|
130
|
74
|
14
|
200
|
200
|
125
|
167.5
|
85
|
15
|
357
|
|
NMRV130
|
8-M12×21
|
155
|
215
|
180
|
81
|
18
|
250
|
200
|
140
|
187.5
|
100
|
15
|
397
|
|