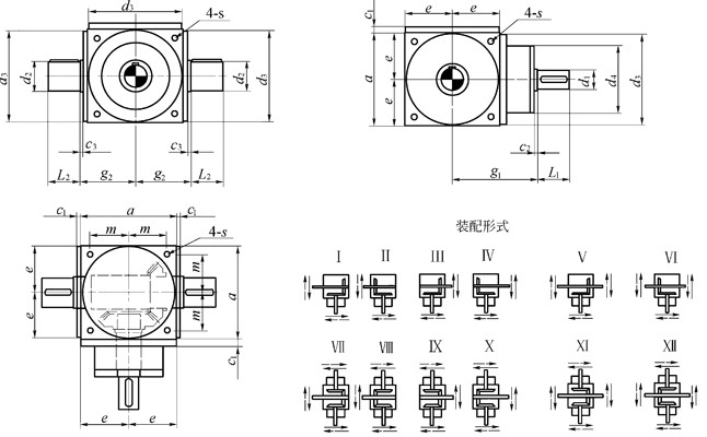
SPV齒輪轉(zhuǎn)向器安裝尺寸
eghtebas.com 格魯夫機械 2015-05-12 16:00:47
點擊:

|
a
|
c1
|
c2
|
c3
|
i=1~2
|
i=3
|
i=4
|
i=5
|
d2 js6
|
|||||
|
d1 js6
|
L1
|
d1 js6
|
L1
|
d1 js6
|
L1
|
d1 js6
|
d4
|
||||||
|
44
|
90
|
10
|
2
|
2
|
18
|
35
|
16
|
30
|
11
|
23
|
11
|
23
|
24
|
|
55
|
110
|
10
|
2
|
2
|
22
|
40
|
20
|
35
|
16
|
30
|
14
|
25
|
28
|
|
77
|
140
|
10
|
2
|
2
|
32
|
50
|
26
|
45
|
20
|
35
|
16
|
30
|
40
|
|
96
|
170
|
12
|
2
|
2
|
40
|
60
|
32
|
50
|
26
|
45
|
22
|
40
|
50
|
|
112
|
210
|
15
|
2
|
2
|
45
|
70
|
38
|
55
|
32
|
50
|
30
|
50
|
60
|
|
135
|
240
|
15
|
2
|
2
|
55
|
85
|
45
|
70
|
38
|
55
|
35
|
55
|
70
|
|
155
|
280
|
15
|
2
|
2
|
60
|
110
|
50
|
80
|
45
|
70
|
42
|
70
|
80
|
|
L2
|
d3h7
|
i=1~3
|
i=4~5
|
e
|
g1
|
g2
|
m
|
s
|
kg
|
油量
1
|
|
|
d4
|
d4
|
||||||||||
|
44
|
45
|
88
|
72
|
62
|
45
|
95
|
57
|
36
|
M6
|
6
|
0.2
|
|
55
|
50
|
108
|
81
|
72
|
55
|
110
|
67
|
44
|
M8
|
10
|
0.3
|
|
77
|
60
|
135
|
98
|
81
|
70
|
130
|
82
|
55
|
M10
|
20
|
0.4
|
|
96
|
80
|
165
|
118
|
98
|
85
|
155
|
100
|
67
|
M12
|
32
|
1
|
|
112
|
110
|
205
|
128
|
110
|
105
|
190
|
122
|
85
|
M16
|
60
|
2
|
|
135
|
120
|
235
|
138
|
120
|
120
|
215
|
137
|
95
|
M16
|
75
|
2.5
|
|
155
|
130
|
275
|
150
|
135
|
140
|
250
|
157
|
110
|
M16
|
115
|
3
|