
|
公稱傳
動比i0
|
外形及中心高
|
軸伸
|
/kg
|
|||||||||||||||||||
|
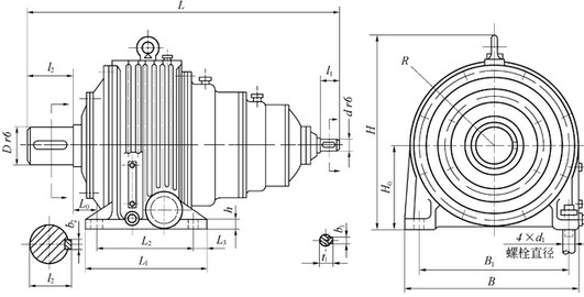
L
|
B
|
H
|
H0
|
R
|
d
|
D
|
l1
|
l2
|
t1
|
b1
|
t2
|
b2
|
L1
|
L2
|
L3
|
L0
|
B1
|
d1
|
h
|
|||
|
NGW73
|
180-2000
|
973.5
|
535
|
574
|
250 0
-0.5
|
250
|
30
|
110
|
55
|
140
|
33
|
8
|
119
|
32
|
375
|
305
|
35
|
80
|
465
|
M30
|
40
|
382
|
|
NGW83
|
1071
|
590
|
634
|
280 0
-0.5
|
280
|
35
|
120
|
55
|
160
|
38.5
|
10
|
129
|
32
|
440
|
350
|
45
|
86
|
510
|
M36
|
45
|
505
|
|
|
NGW93
|
1137.5
|
660
|
721
|
315 0
-0.5
|
315
|
40
|
130
|
70
|
165
|
43.5
|
12
|
140
|
36
|
475
|
385
|
45
|
70.5
|
570
|
M36
|
45
|
627
|
|
|
NGW103
|
1263
|
745
|
800
|
355 0
-0.5
|
355
|
45
|
150
|
70
|
200
|
49
|
14
|
161
|
40
|
525
|
425
|
50
|
78
|
645
|
M42
|
50
|
962
|
|
|
NGW113
|
1359.5
|
840
|
891
|
400 0
-0.5
|
400
|
50
|
170
|
85
|
200
|
55
|
16
|
181
|
40
|
580
|
480
|
50
|
73
|
740
|
M42
|
55
|
1163
|
|
|
NGW123
|
1504
|
950
|
1013
|
450 0
-0.5
|
455
|
55
|
190
|
85
|
240
|
60
|
16
|
202
|
45
|
680
|
560
|
60
|
73
|
820
|
M48
|
60
|
175
|
|