
|
公稱傳
動比i0
|
外形及中心高
|
軸伸
|
/kg
|
|||||||||||||||||||
|
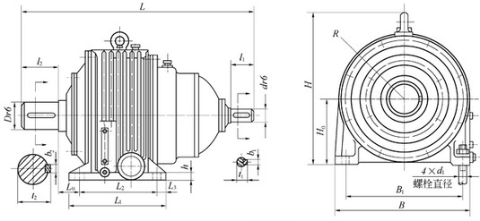
L
|
B
|
H
|
H0
|
R
|
d
|
D
|
l1
|
l2
|
t1
|
b1
|
t2
|
b2
|
L1
|
L2
|
L3
|
L0
|
B1
|
d1
|
h
|
|||
|
NGW
42
|
14-22.5
|
687
|
380
|
425.5
|
180 0
-0.5
|
180
|
35
|
80
|
55
|
105
|
28.5
|
10
|
87
|
24
|
290
|
230
|
30
|
72
|
320
|
M24
|
30
|
128
|
|
25-160
|
687
|
30
|
55
|
33
|
8
|
130
|
||||||||||||||||
|
NGW
52
|
14-22.5
|
767
|
420
|
463.5
|
200 0
-0.5
|
200
|
40
|
90
|
70
|
115
|
43.5
|
12
|
97
|
24
|
310
|
250
|
30
|
80.5
|
360
|
M24
|
35
|
244
|
|
25-160
|
752
|
35
|
55
|
38.5
|
10
|
241
|
||||||||||||||||
|
NGW
62
|
14-22.5
|
805.5
|
475
|
524
|
225 0
-0.5
|
225
|
45
|
100
|
70
|
125
|
49
|
14
|
108
|
28
|
360
|
290
|
35
|
67.5
|
405
|
M30
|
40
|
291
|
|
25-160
|
805.5
|
40
|
70
|
43.5
|
12
|
279
|
||||||||||||||||
|
NGW
72
|
14-22.5
|
890
|
535
|
574
|
250 0
-0.5
|
250
|
50
|
110
|
85
|
140
|
55
|
16
|
119
|
32
|
375
|
305
|
35
|
80
|
465
|
M30
|
40
|
350
|
|
25-160
|
875
|
45
|
70
|
49
|
14
|
350
|
||||||||||||||||
|
NGW
82
|
14-22.5
|
976.5
|
590
|
634
|
280 0
-0.5
|
280
|
55
|
120
|
85
|
160
|
60
|
16
|
129
|
32
|
440
|
350
|
45
|
86
|
510
|
M36
|
45
|
488
|
|
25-160
|
976.5
|
50
|
85
|
55
|
16
|
460
|
||||||||||||||||
|
NGW
92
|
14-22.5
|
1040
|
660
|
721
|
315 0
-0.5
|
315
|
60
|
130
|
105
|
165
|
65.5
|
18
|
140
|
36
|
475
|
385
|
45
|
70.5
|
570
|
M36
|
45
|
607
|
|
25-160
|
1020
|
55
|
85
|
60
|
16
|
577
|
||||||||||||||||
|
NGW
102
|
14-22.5
|
1144
|
745
|
800
|
355 0
-0.5
|
355
|
65
|
150
|
105
|
200
|
70.5
|
18
|
161
|
40
|
525
|
425
|
50
|
78
|
645
|
M42
|
50
|
895
|
|
25-160
|
1144
|
60
|
105
|
65.5
|
18
|
895
|
||||||||||||||||
|
NGW
112
|
14-22.5
|
1222
|
840
|
891
|
400 0
-0.5
|
400
|
75
|
170
|
115
|
200
|
81
|
20
|
181
|
40
|
580
|
480
|
50
|
73
|
740
|
M42
|
55
|
1120
|
|
25-160
|
1212
|
65
|
105
|
70.5
|
18
|
1075
|
||||||||||||||||
|
NGW
122
|
14-22.5
|
1385
|
950
|
1013
|
450 0
-0.5
|
455
|
85
|
190
|
125
|
240
|
92
|
24
|
202
|
45
|
680
|
560
|
60
|
73
|
820
|
M48
|
60
|
1733
|
|
25-160
|
1375
|
75
|
115
|
81
|
20
|
1539
|
||||||||||||||||