Page 13 - WS型、WSD型萬向聯(lián)軸器樣本|G型、GD型萬向聯(lián)軸器樣本|H型、HD型萬向聯(lián)軸器樣本|GA型、HA型可伸縮型萬向聯(lián)軸器樣本|GR型、HR型快速鎖緊式萬向聯(lián)軸器樣本|G型、H型萬向聯(lián)軸器樣本的選型|SWC-I輕型萬向聯(lián)軸器樣本|SWC中型萬向聯(lián)軸器樣本|SWC-Z重型萬向聯(lián)軸器樣本|SWC-D短型萬向聯(lián)軸器樣本|KSWC型—空心十字軸式萬向聯(lián)軸器樣本
P. 13
聯(lián) 軸 器
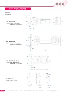
SWC - I 輕型萬向聯(lián)軸器
結(jié)構(gòu)形式
Designs
A 型 - 可伸縮焊接型
TypeA- Welded shaft design,
With length compensation
B 型 - 無伸縮焊接型
TypeB- Welded shaft design,
With length compensation
C 型 - 無伸縮單元結(jié)構(gòu)短型
TypeC- Short ?anged design,
With length compensation
法蘭螺栓孔布置
Flange bolthole patterns
E - 014 eghtebas.com Phone: 0312-678 4766 Fax: 0312-678 4733 E-mail:china@gelufu.com

